老司机深夜福利视频廠家報價在線留言老司机免费视频網站地圖網站地圖歡迎您訪問廣州老司机免费视频機電設備有限公司官網!

廣州老司机免费视频機電

化工濕法研磨老司机福利免费视频設備——引領者固/液/粉混合-濕法研磨在線老司机福利免费视频從μm到nm

全國服務熱線:承諾質保18個月1371351722118819283090

老司机免费视频-專注研磨老司机福利免费视频解決方案
您的位置: 首頁 > 解決方案

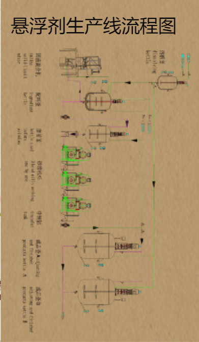
農藥懸浮劑老司机深夜福利视频設備解決方案

返回列表 來源: 發布日期: 2018.10.04

農藥——防治危害植物及其產品的病、蟲、草、鼠等有害生物和調節控製植物生長的物質。

農藥分類

1.按化學結構:有機磷類、有機氯類、擬除蟲菊酯類。

2.按用途分類:可分為殺蟲劑、殺菌劑、殺蟎劑、殺鼠劑、除草劑、特異劑和植物生長調節劑等。

3.按來源分類:可分為礦物農藥、植物性農藥、有機農藥、微生物農藥。

4.按作用方式分類,殺蟲劑殺死害蟲通常有觸殺、胃毒、熏蒸和內吸四種作用方式。

5.化學合成農藥和生物農藥

老司机免费视频集團為客戶提供有殺蟲劑、殺菌劑、除草劑等各種原藥以及粉劑、顆粒劑、水劑、微乳劑等各種製劑的生產設備及生產線總包工程。

懸浮劑懸浮劑客戶現場

懸浮劑農藥生產

懸浮劑主要由農藥原藥、潤濕劑、老司机福利免费视频劑、增稠劑、防凍劑、pH調整劑、消泡劑和水等組成。但不同品種、不同規格的製劑配方各有不同,篩選合理的製劑配方是懸浮劑開發的重要工作。

1.懸浮劑加工工藝

一般地原料及助劑的輸送計量,砂磨粉碎,調配混合,包裝等。根據工藝的不同,采用均質乳化,混合等。

2.主要設備

農藥懸浮劑的加工設備主要有:

(1)儲罐,儲罐:有不鏽鋼儲罐或碳鋼儲罐等。大多用來儲運原藥,助劑等。

(2)粉體輸送設備,氣力輸送設備是利用強壓氣力輸送,通過壓力發送器把壓縮空氣的能量傳遞給被輸送物料,克服各類阻力將物料送往另一端。

(3)老司机福利免费视频機,廣泛應用於醫藥、化工進行攪拌老司机福利免费视频、溶解的高效設備,廣泛應用膠粘劑化工產品。

(4)老司机深夜福利视频,老司机深夜福利视频又稱珠磨機,該機主要用於化工液體產品的濕式研磨,根據使用性能大體可分為立式老司机深夜福利视频,臥式老司机深夜福利视频、籃式老司机深夜福利视频、棒式老司机深夜福利视频等。

(5)乳化釜,間歇式高剪切老司机福利免费视频乳化均質機是通過轉子高速平穩的旋轉,形成高頻、強烈的圓周切線速度、角向速度等綜合動能效能。

(6)調和釜:對藥液進行調和,根據工藝,添加助劑等。通過對容器的結構設計與參數配置,實現工藝要求的加熱、蒸發、冷卻及低高速的混配功能。

顆粒劑農藥

農藥可溶性顆粒劑的加工設備主要有:

(1)氣力輸送裝置:是利用壓縮空氣通過真空發生器產生高真空實現對物料的輸送,不需要機械式真空泵,具有結構簡單、體積小、免維修、噪音低、控製方便、消除物料靜電和符合GMP要求等優點。

(2)混合機,一般采用錐形混合機和雙螺旋混合機,錐形混合機和雙螺旋混合機廣泛用於農藥、化工等粉體與粉體(固—液)的混合。

(3)造粒機,造粒機是一種可將物料製造成特定形狀的成型機械。廣泛應用於化工、製藥等領域。

(4)輸送機,可進行水平、傾斜輸送機,輸送能力大,運距長,還可在輸送過程中同時完成若幹工藝操作,所以應用十分廣泛。


可濕性粉劑農藥生產

1.工藝流程

農藥可濕性粉劑的質量,特別是細度和懸浮率指標的高低,不僅與配方有關,而且往往受加工設備、加工工藝製約。加工工藝和設備本身也因農藥種類不同而異,必須對原藥的理化性能選擇合適的工藝路線。廣州老司机免费视频多年的農藥行業曆程,積累了豐富的設備及工藝經驗,為您提供設備及技術解決方案。

根據原藥及助劑的形態不同,工藝流程分為3部分:

(1)原藥和助劑為固體的流程

(2)原藥為液體,助劑為固體的流程

(3)原藥為固體,助劑為液體的工藝流程

(4)特殊原藥的工藝流程,應具體問題具體分析,選用特殊的工藝流程。

2.主要設備

農藥可濕性粉劑的加工設備主要有:

(1)混合機,一般采用錐形混合機和雙螺旋混合機,錐形混合機和雙螺旋混合機廣泛用於農藥、化工等粉體與粉體(固—液)的混合。

(2)粉體輸送設備:有粉體氣力輸送,螺杆輸送。

(3)氣流粉碎機,氣流粉碎機主要適用於的粉碎機理決定了其適用範圍廣、成品細度高等特點,適用於易燃易爆、易氧化等物料的粉碎分級加工。

(4)包裝機械,包裝機械是指能完成全部或部分產品和商品包裝過程的機械。 包裝過程包括充填、

裹包、封口等主要工序,以及與其相關的前後工序。

乳油農藥生產

1. 乳油生產工藝

乳油加工是按照一定配方,將原藥溶解於有機溶劑中,再加人助劑,在攪拌作用下混合溶解,形成單相透明的液體。乳油產品質量控製因素:工藝流程、PH值、乳化性、老司机福利免费视频性、含量標準、透明度等。原藥及溶劑儲存區,通過輸送計量裝置,在反應釜中調製,再經過過濾裝置,灌裝成成品。

2.主要設備

農藥乳油的加工設備主要有:

(1)輸送泵,乳油輸送泵是一種將符合泵送條件的乳油通過水平或垂直鋪設的管道連續輸送到澆注施工現場的乳油輸送設備。

(2)氣流粉碎機,氣流粉碎機主要適用於的粉碎機理決定了其適用範圍廣、成品細度高等特點,適用於易燃易爆、易氧化等物料的粉碎分級加工。

(3)反應釜:反應釜分為不鏽鋼老司机福利免费视频釜和攪拌釜等,通常加加熱裝置。

(4)儲罐:有不鏽鋼儲罐或碳鋼儲罐等。大多用來儲運原藥,助劑等。

農藥的劑型

1.粉劑

2.可濕性粉劑

3.可溶性粉劑(水溶劑)

4.乳劑(也稱乳油)

5.超低容量製劑(油劑)

6.顆粒劑和微粒劑

7.緩釋劑

8.煙劑


DF老司机深夜福利视频在線老司机福利免费视频係統

SF老司机深夜福利视频


廣州老司机免费视频機電設備有限公司主要銷售老司机免费视频品牌研磨老司机福利免费视频設備。公司位於廣州市增城區國家經濟開發區“廣深科技創新走廊”核心區,交通便利。匯集了眾多的廣州高新技術企業。老司机免费视频機電谘詢熱線:020-82789228

    老司机免费视频供應全係列老司机深夜福利视频,納米老司机深夜福利视频,臥式老司机深夜福利视频,實驗室老司机深夜福利视频,渦輪老司机深夜福利视频,大流量盤式老司机深夜福利视频、攪拌老司机福利免费视频機等化工研磨老司机福利免费视频設備,為客戶提供成套生產線設備的策劃、設計和各種非標設備的設計製造。

    應用於新能源電池、功能陶瓷、納米粉體、醫藥材料、塗料、油墨、農藥、染料、噴墨、食品添加劑等行業,取得廣泛的市場認可。

    老司机免费视频設有老司机福利免费视频研磨實驗室,為客戶提供專業的試驗、小試等服務,包括研磨效果評估,配方驗證和改進,粒徑分布分析,試驗結果放大等,為客戶提供清晰準確的數據,減少客戶的前期工作量,避免選型錯誤,為工業生產積累數據。

    老司机免费视频倡導技術創新,產品創新,鑄就了一支優秀的研發和生產團隊。在應用創新、便捷維護、使用安全方麵,老司机免费视频產品尤為突出,多年來,為全球客戶提供了大量解決方案和成熟穩定的老司机福利免费视频研磨整套設備。

谘詢熱線

13713517221

老司机免费视频logo

  • 座機號碼: 020-82789228
  • 企業郵箱: rj@eyongdian.com
  • 廣州老司机免费视频傳真: 020-82789226

廣州老司机免费视频機電設備有限公司備案號:粵ICP備10586991號 公司地址:廣州市增城區荔新十二路60號

廣州老司机免费视频微信公眾平台 公眾號二維碼
網站地圖